Warning Icon

For other alternatives, please contact us for more information.

0 Alternative products available

E14F10P97

Twin Triplexer 380-960/1350-2200/2300-2700, DC bypass on all ports, 4.3-10 connectors

Finish making your selections or clear them to view relevant specifications.
Download specifications
Features and benefits
  • New 4.3-10 connectors for improved PIM performance and size reduction
  • Twin configuration
  • dc/AISG pass-through on all frequency ports

Product classification

Product Type Triplexer

General specifications

Color Gray
Modularity 2-Twin
Mounting Pole | Wall
Mounting Pipe Hardware Band clamps (2)
RF Connector Interface 4.3-10 Female

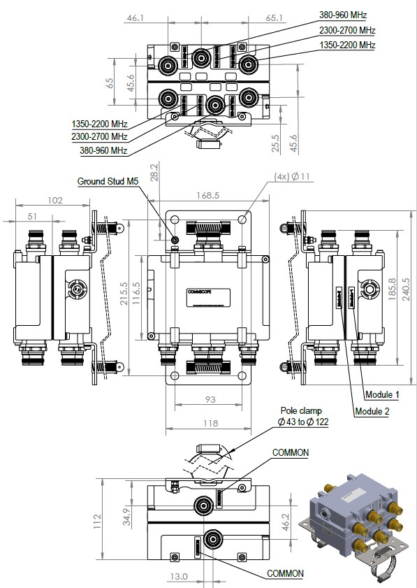
Dimensions

Height 102 mm | 4.016 in
Width 168.5 mm | 6.634 in
Depth 116.5 mm | 4.587 in
Mounting Pipe Diameter Range 43–122 mm

Outline drawing

Click on image to enlarge.

Electrical specifications

Impedance 50 ohm

Electrical specifications, dc power/alarm

dc/AISG Pass-through Path Branch 1 | Branch 2 | Branch 3
dc/AISG Pass-through, combiner Branch 1 | Branch 2 | Branch 3
dc/AISG Pass-through, demultiplexer Branch 1 | Branch 2 | Branch 3
Lightning Surge Current 10 kA
Lightning Surge Current Waveform 8/20 waveform

Electrical specifications

Sub-module 1 | 2 1 | 2 1 | 2
Branch 1 2 3
Port Designation 380-960 1350-2200 2300-2700

Electrical specifications, band pass

Frequency Range, MHz 380–960 1350–2200 2300–2700
Insertion Loss, typical, dB 0.20 0.20 0.20
Return Loss, typical, dB 20 20 20
Isolation, typical, dB 52 52 52
Input Power, RMS, maximum, W 200 200 200
Input Power, PEP, maximum, W 2,000 2,000 2,000
3rd Order PIM, typical, dBc -162 -162 -162
3rd Order PIM Test Method Two +43 dBm carriers Two +43 dBm carriers Two +43 dBm carriers

Block diagram

Click on image to enlarge.

Environmental specifications

Operating Temperature -40 °C to +65 °C (-40 °F to +149 °F)
Corrosion Test Method IEC 60068-2-11, 30 days
Environmental Test Method ETSI EN 300 019-1-4
Ingress Protection Test Method IEC 60529:2001, IP67

Packaging and weights

Included Mounting hardware
Volume 2 L
Weight, with mounting hardware 3.8 kg | 8.378 lb
Weight, without mounting hardware 3.4 kg | 7.496 lb

Product classification

Product Type Triplexer

General specifications

Color Gray
Modularity 2-Twin
Mounting Pole | Wall
Mounting Pipe Hardware Band clamps (2)
RF Connector Interface 4.3-10 Female

Dimensions

Height 102 mm | 4.016 in
Width 168.5 mm | 6.634 in
Depth 116.5 mm | 4.587 in
Mounting Pipe Diameter Range 43–122 mm

Electrical specifications

Impedance 50 ohm

Electrical specifications, dc power/alarm

dc/AISG Pass-through Path Branch 1 | Branch 2 | Branch 3
dc/AISG Pass-through, combiner Branch 1 | Branch 2 | Branch 3
dc/AISG Pass-through, demultiplexer Branch 1 | Branch 2 | Branch 3
Lightning Surge Current 10 kA
Lightning Surge Current Waveform 8/20 waveform

Electrical specifications

Sub-module 1 | 2 1 | 2 1 | 2
Branch 1 2 3
Port Designation 380-960 1350-2200 2300-2700

Electrical specifications, band pass

Frequency Range, MHz 380–960 1350–2200 2300–2700
Insertion Loss, typical, dB 0.20 0.20 0.20
Return Loss, typical, dB 20 20 20
Isolation, typical, dB 52 52 52
Input Power, RMS, maximum, W 200 200 200
Input Power, PEP, maximum, W 2,000 2,000 2,000
3rd Order PIM, typical, dBc -162 -162 -162
3rd Order PIM Test Method Two +43 dBm carriers Two +43 dBm carriers Two +43 dBm carriers

Environmental specifications

Operating Temperature -40 °C to +65 °C (-40 °F to +149 °F)
Corrosion Test Method IEC 60068-2-11, 30 days
Environmental Test Method ETSI EN 300 019-1-4
Ingress Protection Test Method IEC 60529:2001, IP67

Packaging and weights

Included Mounting hardware
Volume 2 L
Weight, with mounting hardware 3.8 kg | 8.378 lb
Weight, without mounting hardware 3.4 kg | 7.496 lb
Click on image to enlarge.
Click on image to enlarge.
Filter Products – Designed for PIM Excellence
Filter Products – Designed for PIM Excellence

Product specification

Product specification