Warning Icon

For other alternatives, please contact us for more information.

0 Alternative products available

E12F05P96

Diplexer, DCS 1800/UMTS 2100, AISG compatible, dc pass on all ports with 4.3-10 connectors

Finish making your selections or clear them to view relevant specifications.
Download specifications
Features and benefits
  • Industry leading PIM performance
  • Designed for network Modernization, introduction of LTE1800 on existing site
  • Designed for network Modernization, introduction of UMTS2100 on existing site
  • New 4.3-10 connectors for improved PIM performance and size reduction
  • dc/AISG pass-through on all frequency ports

Product classification

Product Type Diplexer

General specifications

Product Family CBC1821
Color Gray
Common Port Label PORT 3 COMMON
Modularity 1-Single
Mounting Pole | Wall
Mounting Pipe Hardware Band clamps (2)
RF Connector Interface 4.3-10 Female
RF Connector Interface Body Style Long neck

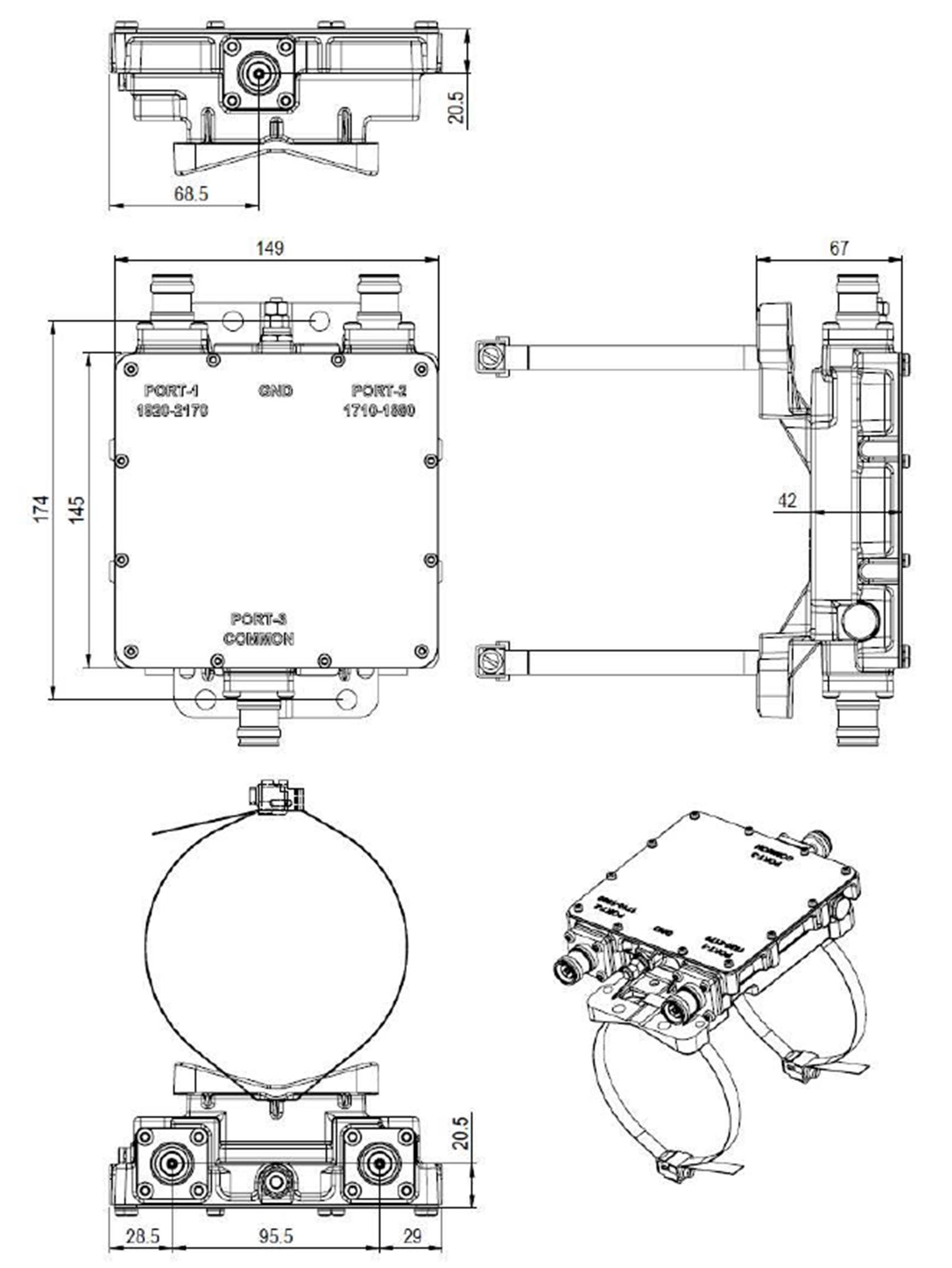
Dimensions

Height 149 mm | 5.866 in
Width 145 mm | 5.709 in
Depth 42 mm | 1.654 in
Mounting Pipe Diameter Range 40–160 mm

Outline drawing

Click on image to enlarge.

Electrical specifications

Impedance 50 ohm
License Band, Band Pass DCS 1800 | IMT 2100

Electrical specifications, dc power/alarm

dc/AISG Pass-through, combiner Branch 1 | Branch 2
dc/AISG Pass-through, demultiplexer Branch 1 | Branch 2
Lightning Surge Current 10 kA
Lightning Surge Current Waveform 8/20 waveform

Electrical specifications, aisg

AISG Pass-through Current, maximum 2 A

Electrical specifications

Sub-module 1 1
Branch 1 2
Port Designation PORT 1 1710-1880 PORT 2 1920-2170
License Band DCS 1800, Band Pass IMT 2100, Band Pass

Electrical specifications, band pass

Frequency Range, MHz 1710–1880 1920–2170
Insertion Loss, typical, dB 0.15 0.25
Return Loss, typical, dB 20 20
Isolation, minimum, dB 50 50
Input Power, PEP, maximum, W 2,500 2,500
3rd Order PIM, typical, dBc -161
3rd Order PIM Test Method Two +43 dBm carriers
7th Order PIM, typical, dBc -168
7th Order PIM Test Method Two +43 dBm carriers

Block diagram

Click on image to enlarge.

Environmental specifications

Operating Temperature -40 °C to +60 °C (-40 °F to +140 °F)
Corrosion Test Method IEC 60068-2-11, 30 days
Ingress Protection Test Method IEC 60529:2001, IP67

Packaging and weights

Included Mounting hardware
Volume 0.9 L
Weight, net 2 kg | 4.409 lb

Regulatory compliance/certifications

Agency Classification
ISO 9001:2015 Designed, manufactured and/or distributed under this quality management system

Product classification

Product Type Diplexer

General specifications

Product Family CBC1821
Color Gray
Common Port Label PORT 3 COMMON
Modularity 1-Single
Mounting Pole | Wall
Mounting Pipe Hardware Band clamps (2)
RF Connector Interface 4.3-10 Female
RF Connector Interface Body Style Long neck

Dimensions

Height 149 mm | 5.866 in
Width 145 mm | 5.709 in
Depth 42 mm | 1.654 in
Mounting Pipe Diameter Range 40–160 mm

Electrical specifications

Impedance 50 ohm
License Band, Band Pass DCS 1800 | IMT 2100

Electrical specifications, dc power/alarm

dc/AISG Pass-through, combiner Branch 1 | Branch 2
dc/AISG Pass-through, demultiplexer Branch 1 | Branch 2
Lightning Surge Current 10 kA
Lightning Surge Current Waveform 8/20 waveform

Electrical specifications, aisg

AISG Pass-through Current, maximum 2 A

Electrical specifications

Sub-module 1 1
Branch 1 2
Port Designation PORT 1 1710-1880 PORT 2 1920-2170
License Band DCS 1800, Band Pass IMT 2100, Band Pass

Electrical specifications, band pass

Frequency Range, MHz 1710–1880 1920–2170
Insertion Loss, typical, dB 0.15 0.25
Return Loss, typical, dB 20 20
Isolation, minimum, dB 50 50
Input Power, PEP, maximum, W 2,500 2,500
3rd Order PIM, typical, dBc -161
3rd Order PIM Test Method Two +43 dBm carriers
7th Order PIM, typical, dBc -168
7th Order PIM Test Method Two +43 dBm carriers

Environmental specifications

Operating Temperature -40 °C to +60 °C (-40 °F to +140 °F)
Corrosion Test Method IEC 60068-2-11, 30 days
Ingress Protection Test Method IEC 60529:2001, IP67

Packaging and weights

Included Mounting hardware
Volume 0.9 L
Weight, net 2 kg | 4.409 lb
Click on image to enlarge.
Click on image to enlarge.

Regulatory compliance/certifications

Agency Classification
ISO 9001:2015 Designed, manufactured and/or distributed under this quality management system
Filter Products – Designed for PIM Excellence
Filter Products – Designed for PIM Excellence

Product specification

Product specification