Warning Icon

For other alternatives, please contact us for more information.

0 Alternative products available

CBC4W26-DS-43 | E14F05P87

Diplexer, 380–2200 MHz/2300–2690 MHz, DCauto, with 4.3-10 connectors

Finish making your selections or clear them to view relevant specifications.
Download specifications
Features and benefits
  • Industry leading PIM performance
  • New 4.3-10 connectors for improved PIM performance and size reduction
  • Designed for network modernization application, introduction of LTE2300 and LTE2600 on existing site
  • Minimal Insertion Loss
  • Ultra-wideband low-band combiner
  • Ultra-wideband high-band combiner
  • DC/AISG SMART bypass functionality
  • Single configuration

Product classification

Product Type Diplexer

General specifications

Color Gray
Common Port Label ANT
Modularity 1-Single
Mounting Pole | Wall
Mounting Pipe Hardware Band clamps (2)
RF Connector Interface 4.3-10 Female
RF Connector Interface Body Style Medium neck

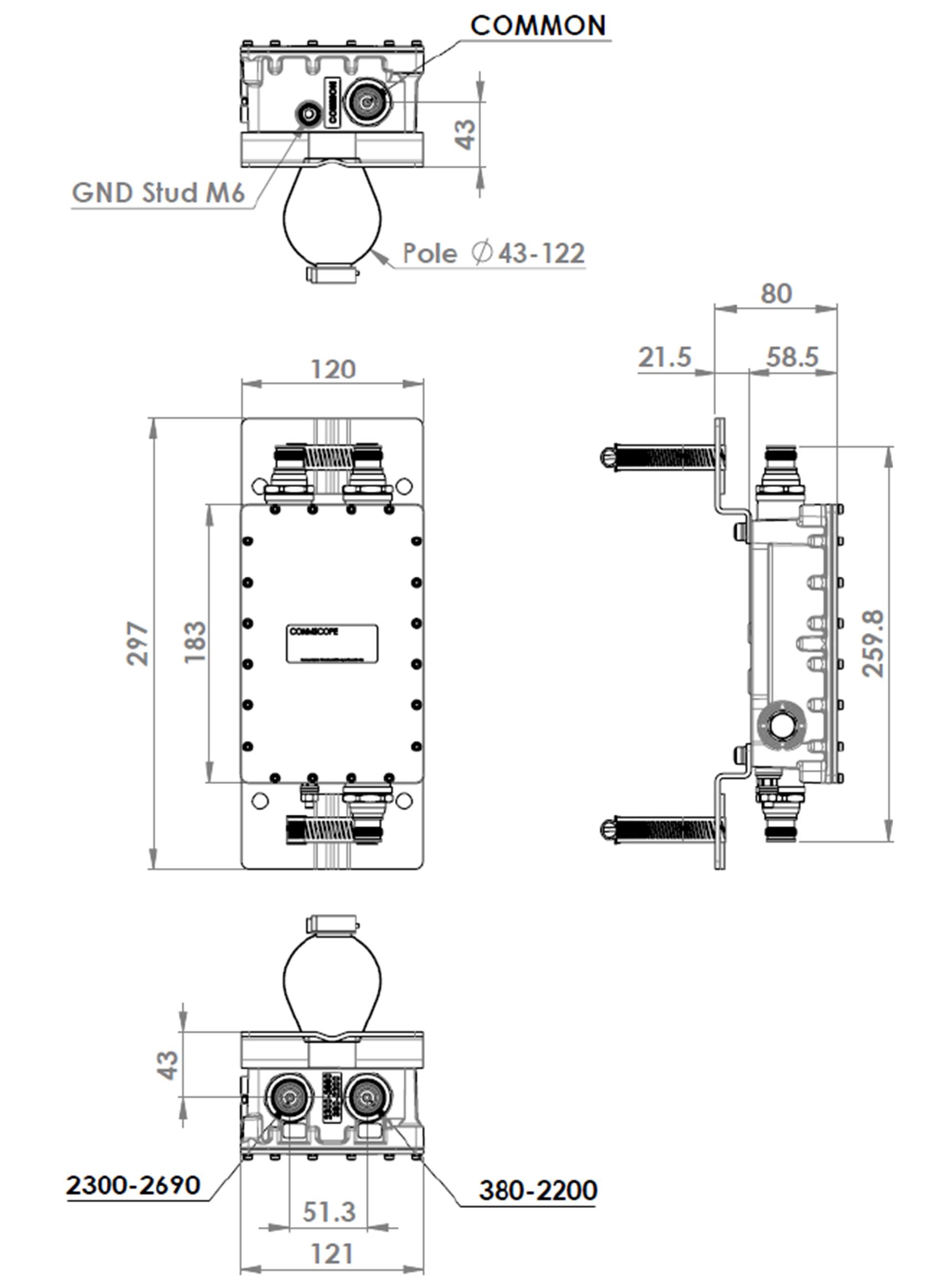
Dimensions

Height 183 mm | 7.205 in
Width 121 mm | 4.764 in
Depth 59 mm | 2.323 in
Ground Screw Diameter 5 mm | 0.197 in
Mounting Pipe Diameter Range 40–160 mm

Outline drawing

Click on image to enlarge.

Electrical specifications

Impedance 50 ohm

Electrical specifications, dc power/alarm

dc/AISG Pass-through Method Auto sensing
dc/AISG Pass-through, combiner dc Smart Bypass
dc/AISG Pass-through, demultiplexer dc Smart Bypass
Lightning Surge Current 5 kA
Lightning Surge Current Waveform 8/20 waveform

Electrical specifications, aisg

AISG Carrier 2176 KHz ± 100 ppm

Electrical specifications

Sub-module 1 | 2 1 | 2
Branch 1 2
Port Designation PORT 1 380-2200 PORT 2 2300-2690
License Band APT 700, Band Pass
CEL 850, Band Pass
CEL 900, Band Pass
DCS 1800, Band Pass
EDD 800, Band Pass
IMT 2100, Band Pass
LMR 750, Band Pass
LMR 800, Band Pass
LMR 900, Band Pass
TDD 1900, Band Pass
USA 700, Band Pass
USA 750, Band Pass
IMT 2600, Band Pass
TDD 2300, Band Pass
TDD 2600, Band Pass
WCS 2300, Band Pass

Electrical specifications, band pass

Frequency Range, MHz 380–2200 2300–2690
Insertion Loss, typical, dB 0.20 0.20
Total Group Delay, maximum, ns 8 13
Return Loss, typical, dB 20 22
Isolation, minimum, dB 50 50
Input Power, RMS, maximum, W 200 200
Input Power, PEP, maximum, W 2,000 2,000
3rd Order PIM, typical, dBc -161 -161
3rd Order PIM Test Method Two +43 dBm carriers Two +43 dBm carriers

Block diagram

Click on image to enlarge.

Mechanical specifications

Wind Loading @ Velocity, frontal 32.0 N @ 150 km/h (7.2 lbf @ 150 km/h)
Wind Loading @ Velocity, lateral 13.0 N @ 150 km/h (2.9 lbf @ 150 km/h)

Environmental specifications

Operating Temperature -40 °C to +65 °C (-40 °F to +149 °F)
Ingress Protection Test Method IEC 60529:2001, IP67

Packaging and weights

Included Mounting hardware
Volume 1.3 L
Weight, net 2.5 kg | 5.512 lb
Weight, without mounting hardware 2 kg | 4.409 lb

Regulatory compliance/certifications

Agency Classification
ISO 9001:2015 Designed, manufactured and/or distributed under this quality management system

Product classification

Product Type Diplexer

General specifications

Color Gray
Common Port Label ANT
Modularity 1-Single
Mounting Pole | Wall
Mounting Pipe Hardware Band clamps (2)
RF Connector Interface 4.3-10 Female
RF Connector Interface Body Style Medium neck

Dimensions

Height 183 mm | 7.205 in
Width 121 mm | 4.764 in
Depth 59 mm | 2.323 in
Ground Screw Diameter 5 mm | 0.197 in
Mounting Pipe Diameter Range 40–160 mm

Electrical specifications

Impedance 50 ohm

Electrical specifications, dc power/alarm

dc/AISG Pass-through Method Auto sensing
dc/AISG Pass-through, combiner dc Smart Bypass
dc/AISG Pass-through, demultiplexer dc Smart Bypass
Lightning Surge Current 5 kA
Lightning Surge Current Waveform 8/20 waveform

Electrical specifications, aisg

AISG Carrier 2176 KHz ± 100 ppm

Electrical specifications

Sub-module 1 | 2 1 | 2
Branch 1 2
Port Designation PORT 1 380-2200 PORT 2 2300-2690
License Band APT 700, Band Pass; CEL 850, Band Pass; CEL 900, Band Pass; DCS 1800, Band Pass; EDD 800, Band Pass; IMT 2100, Band Pass; LMR 750, Band Pass; LMR 800, Band Pass; LMR 900, Band Pass; TDD 1900, Band Pass; USA 700, Band Pass; USA 750, Band Pass IMT 2600, Band Pass; TDD 2300, Band Pass; TDD 2600, Band Pass; WCS 2300, Band Pass

Electrical specifications, band pass

Frequency Range, MHz 380–2200 2300–2690
Insertion Loss, typical, dB 0.20 0.20
Total Group Delay, maximum, ns 8 13
Return Loss, typical, dB 20 22
Isolation, minimum, dB 50 50
Input Power, RMS, maximum, W 200 200
Input Power, PEP, maximum, W 2,000 2,000
3rd Order PIM, typical, dBc -161 -161
3rd Order PIM Test Method Two +43 dBm carriers Two +43 dBm carriers

Mechanical specifications

Wind Loading @ Velocity, frontal 32.0 N @ 150 km/h (7.2 lbf @ 150 km/h)
Wind Loading @ Velocity, lateral 13.0 N @ 150 km/h (2.9 lbf @ 150 km/h)

Environmental specifications

Operating Temperature -40 °C to +65 °C (-40 °F to +149 °F)
Ingress Protection Test Method IEC 60529:2001, IP67

Packaging and weights

Included Mounting hardware
Volume 1.3 L
Weight, net 2.5 kg | 5.512 lb
Weight, without mounting hardware 2 kg | 4.409 lb
Click on image to enlarge.
Click on image to enlarge.

Regulatory compliance/certifications

Agency Classification
ISO 9001:2015 Designed, manufactured and/or distributed under this quality management system
Filter Products – Designed for PIM Excellence
Filter Products – Designed for PIM Excellence

Product specification

Product specification