Warning Icon

For other alternatives, please contact us for more information.

0 Alternative products available

APG-BNFNF-350

Base product: SURGE-ARRESTORS

Arrestor Plus® Gas Tube Surge Arrestor (350 V), 45–2170 MHz, with interface types N Female Bulkhead and N Female

Finish making your selections or clear them to view relevant specifications.
Download specifications

Product classification

Product Type Gas tube
Product Brand Arrestor Plus®
Ordering Note ANDREW® non-standard product

General specifications

Device Type dc Pass
Body Style Bulkhead
Inner Contact Plating Gold
Interface N Female Bulkhead
Interface 2 N Female
Outer Contact Plating Silver
Pressurizable No

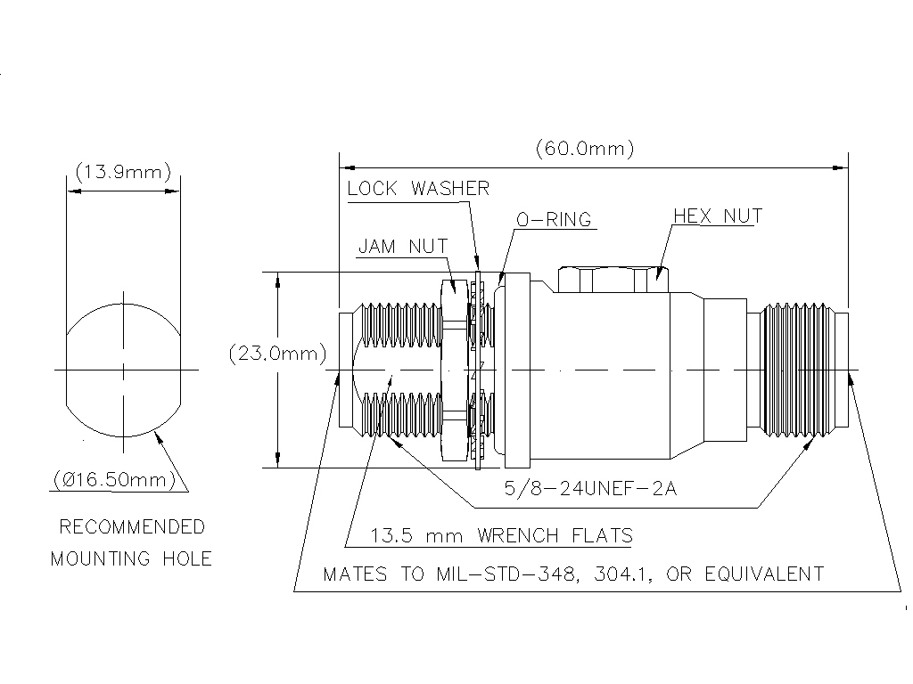
Dimensions

Height 26 mm | 1.024 in
Width 26 mm | 1.024 in
Length 60 mm | 2.362 in

Outline drawing

Click on image to enlarge.

Electrical specifications

Insertion Loss, typical 0.1 dB
Average Power 400 W
Connector Impedance 50 ohm
Gas Tube Voltage 350 V
Lightning Surge Current 20 kA
Lightning Surge Current Waveform 8/20 waveform
Operating Frequency Band 45 – 1000 MHz | 1000 – 2000 MHz | 2000 – 2170 MHz

Return loss/vswr

Frequency band Vswr Return loss (db)
45–1000 MHz 1.094 27.00
1000–2000 MHz 1.094 27.00
2000–2170 MHz 1.173 22.00

Mechanical specifications

Attachment Durability 25 cycles
Interface Durability 500 cycles
Interface Durability Method IEC 61169-16:9.5
Mechanical Shock Test Method MIL-STD-202F, Method 213B, Test Condition C

Environmental specifications

Operating Temperature -40 °C to +100 °C (-40 °F to +212 °F)
Storage Temperature -40 °C to +100 °C (-40 °F to +212 °F)
Attenuation, Ambient Temperature 20 °C | 68 °F
Average Power, Ambient Temperature 40 °C | 104 °F
Corrosion Test Method MIL-STD-202, Method 101, Test Condition B
Immersion Depth 1 m
Immersion Test Mating Mated
Immersion Test Method IEC 60529:2001, IP68
Moisture Resistance Test Method MIL-STD-202, Method 106
Thermal Shock Test Method MIL-STD-202, Method 107, Test Condition A-1, Low Temperature -55 °C
Vibration Test Method GR 2846-CORE
Water Jetting Test Mating Mated
Water Jetting Test Method IEC 60529:2001, IP66

Packaging and weights

Weight, net 0.093 kg | 0.204 lb

Regulatory compliance/certifications

Agency Classification
CHINA-ROHS Below maximum concentration value
ISO 9001:2015 Designed, manufactured and/or distributed under this quality management system
ROHS Compliant
UK-ROHS Compliant
REACH-SVHC Compliant as per SVHC revision on www.andrew.com/ProductCompliance

Product classification

Product Type Gas tube
Product Brand Arrestor Plus®
Ordering Note ANDREW® non-standard product

General specifications

Device Type dc Pass
Body Style Bulkhead
Inner Contact Plating Gold
Interface N Female Bulkhead
Interface 2 N Female
Outer Contact Plating Silver
Pressurizable No

Dimensions

Height 26 mm | 1.024 in
Width 26 mm | 1.024 in
Length 60 mm | 2.362 in

Electrical specifications

Insertion Loss, typical 0.1 dB
Average Power 400 W
Connector Impedance 50 ohm
Gas Tube Voltage 350 V
Lightning Surge Current 20 kA
Lightning Surge Current Waveform 8/20 waveform
Operating Frequency Band 45 – 1000 MHz | 1000 – 2000 MHz | 2000 – 2170 MHz

Return loss/vswr

Frequency Band VSWR Return Loss (dB)
45–1000 MHz 1.094 27.00
1000–2000 MHz 1.094 27.00
2000–2170 MHz 1.173 22.00

Mechanical specifications

Attachment Durability 25 cycles
Interface Durability 500 cycles
Interface Durability Method IEC 61169-16:9.5
Mechanical Shock Test Method MIL-STD-202F, Method 213B, Test Condition C

Environmental specifications

Operating Temperature -40 °C to +100 °C (-40 °F to +212 °F)
Storage Temperature -40 °C to +100 °C (-40 °F to +212 °F)
Attenuation, Ambient Temperature 20 °C | 68 °F
Average Power, Ambient Temperature 40 °C | 104 °F
Corrosion Test Method MIL-STD-202, Method 101, Test Condition B
Immersion Depth 1 m
Immersion Test Mating Mated
Immersion Test Method IEC 60529:2001, IP68
Moisture Resistance Test Method MIL-STD-202, Method 106
Thermal Shock Test Method MIL-STD-202, Method 107, Test Condition A-1, Low Temperature -55 °C
Vibration Test Method GR 2846-CORE
Water Jetting Test Mating Mated
Water Jetting Test Method IEC 60529:2001, IP66

Packaging and weights

Weight, net 0.093 kg | 0.204 lb
Click on image to enlarge.

Regulatory compliance/certifications

Agency Classification
CHINA-ROHS Below maximum concentration value
ISO 9001:2015 Designed, manufactured and/or distributed under this quality management system
ROHS Compliant
UK-ROHS Compliant
REACH-SVHC Compliant as per SVHC revision on www.andrew.com/ProductCompliance

Product specification

Product specification