Warning Icon

For other alternatives, please contact us for more information.

0 Alternative products available

C085SFPM

SMA Female Panel Mount for 0.085 in CF085-50 cable

Finish making your selections or clear them to view relevant specifications.
Download specifications

Product classification

Product Type Wireless and radiating connector
Product Series CF085-50

General specifications

Body Style Panel mount
Cable Family CF085-50
Inner Contact Attachment Method Solder
Inner Contact Plating Gold
Interface SMA Female
Mounting Angle Straight
Outer Contact Attachment Method Solder
Outer Contact Plating Gold
Pressurizable No

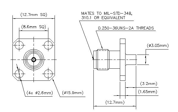
Dimensions

Height 16 mm | 0.630 in
Width 16 mm | 0.630 in
Length 12.7 mm | 0.500 in
Diameter 16 mm | 0.630 in

Outline drawing

Click on image to enlarge.

Electrical specifications

3rd Order IMD at Frequency -112 dBm @ 910 MHz
3rd Order IMD Test Method Two +43 dBm carriers
Average Power at Frequency 0.2 kW @ 900 MHz
Cable Impedance 50 ohm
Connector Impedance 50 ohm
dc Test Voltage 1000 V
Inner Contact Resistance, maximum 3 mOhm
Insulation Resistance, minimum 5000 mOhm
Operating Frequency Band 0 – 6000 MHz
Outer Contact Resistance, maximum 2.5 mOhm
Peak Power, maximum 0.21 kW
RF Operating Voltage, maximum (vrms) 500 V
Shielding Effectiveness -100 dB

Return loss/vswr

Frequency band Vswr Return loss (db)
824–2700 MHz 1.065 30.04
3000–6000 MHz 1.290 18.00

Mechanical specifications

Insertion Force 97.86 N | 22.000 lbf
Insertion Force Method IEC 61169-16:9.3.5
Interface Durability 500 cycles
Interface Durability Method IEC 61169-4:17
Mechanical Shock Test Method IEC 60068-2-27

Environmental specifications

Operating Temperature -55 °C to +85 °C (-67 °F to +185 °F)
Storage Temperature -65 °C to +125 °C (-85 °F to +257 °F)
Attenuation, Ambient Temperature 20 °C | 68 °F
Average Power, Ambient Temperature 40 °C | 104 °F
Average Power, Inner Conductor Temperature 100 °C | 212 °F
Corrosion Test Method IEC 60068-2-11
Immersion Depth 1 m
Immersion Test Mating Mated
Immersion Test Method IEC 60529:2001, IP68
Moisture Resistance Test Method IEC 60068-2-3
Thermal Shock Test Method IEC 60068-2-14
Vibration Test Method IEC 60068-2-6

Packaging and weights

Weight, net 3.01 g | 0.007 lb

Regulatory compliance/certifications

Agency Classification
CHINA-ROHS Below maximum concentration value
ISO 9001:2015 Designed, manufactured and/or distributed under this quality management system
ROHS Compliant
UK-ROHS Compliant
REACH-SVHC Compliant as per SVHC revision on www.andrew.com/ProductCompliance

Product classification

Product Type Wireless and radiating connector
Product Series CF085-50

General specifications

Body Style Panel mount
Cable Family CF085-50
Inner Contact Attachment Method Solder
Inner Contact Plating Gold
Interface SMA Female
Mounting Angle Straight
Outer Contact Attachment Method Solder
Outer Contact Plating Gold
Pressurizable No

Dimensions

Height 16 mm | 0.630 in
Width 16 mm | 0.630 in
Length 12.7 mm | 0.500 in
Diameter 16 mm | 0.630 in

Electrical specifications

3rd Order IMD at Frequency -112 dBm @ 910 MHz
3rd Order IMD Test Method Two +43 dBm carriers
Average Power at Frequency 0.2 kW @ 900 MHz
Cable Impedance 50 ohm
Connector Impedance 50 ohm
dc Test Voltage 1000 V
Inner Contact Resistance, maximum 3 mOhm
Insulation Resistance, minimum 5000 mOhm
Operating Frequency Band 0 – 6000 MHz
Outer Contact Resistance, maximum 2.5 mOhm
Peak Power, maximum 0.21 kW
RF Operating Voltage, maximum (vrms) 500 V
Shielding Effectiveness -100 dB

Return loss/vswr

Frequency Band VSWR Return Loss (dB)
824–2700 MHz 1.065 30.04
3000–6000 MHz 1.290 18.00

Mechanical specifications

Insertion Force 97.86 N | 22.000 lbf
Insertion Force Method IEC 61169-16:9.3.5
Interface Durability 500 cycles
Interface Durability Method IEC 61169-4:17
Mechanical Shock Test Method IEC 60068-2-27

Environmental specifications

Operating Temperature -55 °C to +85 °C (-67 °F to +185 °F)
Storage Temperature -65 °C to +125 °C (-85 °F to +257 °F)
Attenuation, Ambient Temperature 20 °C | 68 °F
Average Power, Ambient Temperature 40 °C | 104 °F
Average Power, Inner Conductor Temperature 100 °C | 212 °F
Corrosion Test Method IEC 60068-2-11
Immersion Depth 1 m
Immersion Test Mating Mated
Immersion Test Method IEC 60529:2001, IP68
Moisture Resistance Test Method IEC 60068-2-3
Thermal Shock Test Method IEC 60068-2-14
Vibration Test Method IEC 60068-2-6

Packaging and weights

Weight, net 3.01 g | 0.007 lb
Click on image to enlarge.

Regulatory compliance/certifications

Agency Classification
CHINA-ROHS Below maximum concentration value
ISO 9001:2015 Designed, manufactured and/or distributed under this quality management system
ROHS Compliant
UK-ROHS Compliant
REACH-SVHC Compliant as per SVHC revision on www.andrew.com/ProductCompliance

Product specification

Product specification